Chapter 02 데이터의 종류 (4)
연산의 결과 도출 및 자료 기억 방법
- 조합논리 회로
- 기억회로의 구성 및 작동 원리
- 순차회로
조합논리 회로

조합회로는 입력과 출력을 가진 논리 게이트의 집합으로 출력은 현재의 입력(0, 1)값과 조합의 함수이며, 순차 논리회로는 게이트 뿐만 아니라 기억능력이 있는 플립플롭(Flip-Flop)으로 구성된다.
조합회로의 설계 절차
1. 문제가 제시 된다
2. 입력과 출력 변수에 문자 기호를 붙인다
3. 입력과 출려사이의 관계를 정의하는 진리표를 유도한다
4. 각 출력에 대한 간소화된 부울 함수를 얻는다
5. 논리도를 작성한다
대표적 조합 회로
가산기(Adder) : 두 개 (그 이상)의 입력을 받아 결과물을 출력하는 조합논리 회로
- 반 가산기(Half Adder) - 기본 게이트 설명 시 다루었던 내용
- 전 가산기 (Full Adder)

멀티플렉서 (Multiplexer)
다수의 입력 선 중 하나만을 선벽절(시그널 조작)으로 출력 가능하게 해주는 조합논리 회로

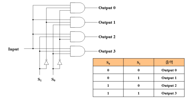
디멀티플렉서 (Demultiplexer)
하나의 입력 선(값)을 다수개의 출력선으로 분해하는 기능의 조합회로 (멀티플렉서 역 기능)

기억회로의 구성 및 작동 원리
- 대부분의 디지털 시스템들이 조합회로를 가지고 있는 것은 사실이지만, 대부문의 경우 순차회로로 구현되는 저장요소를 필요로 한다. 우리는 이러한 종류의 회로를 플립플롭(Flip Flop)이라고 한다.
- 플립플롭(Flip-Flop)종류와 작동 원리

순차회로
- 순차 회로는 플립플롭(Flip Flop)과 게이트를 서로 연결한 것이다. 게이트들로만 이루어진 회로는 조합회로이지만, 플립플롭이 포함될 때 순차 회로가 된다. 순차회로의 외부 출력은 외부 입력과 플립플롭의 현상태의 함수로 표시된다.
- 네 가지 플립플롭(Flip-Flop)에 대한 여기 표

순차회로의 상태표와 상태도
순차회로의 특성은 입력, 출력 및 플립플럽의 상태로 부터 특정 지어진다. 출력과 다음 상태는 모두 입력과 현 상태의 함수이다. 이 사이의 관계를 상태표라 한다. 또한 이러한 상태표를 그림으로 도시한 것이 상태도이다.

출처 : 제로베이스